座式礦用單軸圓振動篩生產廠家
礦用振動篩-座式礦用單軸圓振動篩生產廠家-型號參數報價圖紙設計 13353676726
DD/ZD系列單軸振動篩產品概述:
礦用單軸振動篩/煤用單軸振動篩是一種作圓運動的振動篩。可供黑色、有色以及非金屬礦山的輔助或獨立篩分作業中作中等粒度的分級之用。奧創振動生產的DD/ZD系列礦用/煤用單軸振動篩篩機具有結構簡單,動轉平穩,工作可靠等優點。本系列單軸振動篩適用于煤炭、礦山、建材輕工、化工等行業對中細粒的分級單軸篩運動軌跡為圓,具有結構簡單、維修方便、作業可靠的優點。 礦用單軸振動篩/煤用單軸振動篩使用得到煤炭、礦山、建材、輕工、化工等行業的一致好評!
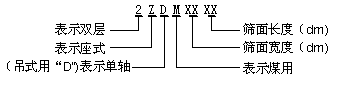
DD/ZD系列單軸振動篩產品型號說明:
DD/ZD系列單軸振動篩產品選型指導:
單軸振動篩有吊式和座式,層數有單層和雙層,傳動形式分左右,篩板有沖孔、編織(其中還有橡膠篩網)。
DD/ZD系列單軸振動篩產品外形示意圖:
DD/ZD系列單軸振動篩產品技術參數表:
|
型 號 |
篩網 |
給料粒度 |
生產能力 |
振動 |
雙振幅 |
電動機 |
外型尺寸 |
安裝 |
總重 |
||||
|
層數 |
面積(m2) |
篩孔尺寸mm |
篩網結構 |
型號 |
功率(kw) |
||||||||
|
DD918 |
1 |
1.6 |
1-25 |
鋼絲編織 |
≤60 |
10-30 |
1000 |
5-6 |
Y100L-4 |
2.2 |
2152X1418X575 |
吊式 |
440 |
|
2DD918 |
2 |
1.6 |
1-25 |
鋼絲編織 |
≤60 |
10-30 |
1000 |
5-6 |
Y100L-4 |
2.2 |
2200X1418X630 |
吊式 |
600 |
|
DDM1235 |
1 |
4 |
500-100 |
鋼絲編織 |
≤400 |
150-210 |
920 |
6 |
Y132S-4B3 |
5.5 |
3500X2166X2034 |
吊式 |
2112 |
|
DDM1556 |
1 |
8 |
25-50 |
沖孔 |
≤400 |
400 |
920 |
6-8 |
Y160M-4B3 |
11 |
5400X2460X2105 |
吊式 |
3376 |
|
2DDM1556 |
2 |
8 |
上25-100 |
上沖下編 |
≤400 |
上90-450 |
1000 |
6 |
Y180M-4 |
18.5 |
5500X2100X2505 |
吊式 |
5096 |
|
DDM1740 |
1 |
7 |
50-100 |
沖孔 |
≤400 |
240-360 |
920 |
5-7 |
Y132M-4B3 |
7.5 |
3815X2646X2505 |
吊式 |
3092 |
|
DDM1756 |
1 |
9.5 |
25-50 |
沖孔 |
≤400 |
270-540 |
920 |
5-7 |
Y160T-4B3 |
15 |
5600X2783X2176 |
吊式 |
3995 |
|
DDM2056 |
1 |
11 |
25-125 |
沖孔 |
≤400 |
300-1100 |
920 |
6-8 |
180M-4B3 |
18.5 |
5662X3123X4469 |
吊式 |
4599 |
|
2DDM2056 |
2 |
11 |
上25-100 |
沖孔 |
≤400 |
120-600 |
1000 |
6-8 |
Y180M-4 |
18.5 |
5500X3148X2350 |
吊式 |
5650 |
|
ZD918 |
1 |
1.6 |
1-25 |
編織 |
≤60 |
10-30 |
1000 |
6 |
Y100L-4 |
2.2 |
2150X1418X575 |
吊式 |
553 |
|
2ZD918 |
2 |
1.6 |
1-25 |
編織 |
≤50 |
10-30 |
1000 |
6 |
Y100L-4 |
2.2 |
2200X1418X565 |
座式 |
702 |
|
ZD1224 |
1 |
2.9 |
6-40 |
編織 |
≤100 |
70-210 |
1000 |
0-7 |
Y112M-4 |
4 |
2500X2150X1340 |
座式 |
1130 |
|
2ZD1224 |
2 |
2.9 |
6-40 |
編織 |
≤100 |
70-210 |
850 |
0-7 |
Y112M-4 |
4 |
2600X2200X1780 |
座式 |
1545 |
|
ZD1224J |
1 |
2.9 |
11x42 13x42 26x35 |
橡膠 |
≤100 |
70-210 |
850 |
3.5 |
Y112M-4 |
4 |
2500X2150X1340 |
座式 |
1086 |
|
2ZD124J |
2 |
2.9 |
13x42 29x35 48x58 |
橡膠 |
≤100 |
70-210 |
800 |
3.5 |
Y112M-4 |
4 |
2600X2200X1780 |
座式 |
1637 |
|
ZDM1235 |
1 |
4 |
50-100 |
沖孔 |
≤400 |
150-210 |
920 |
7 |
Y132-4B3 |
5.5 |
3338X2210X1853 |
座式 |
2235 |
|
ZD1530 |
1 |
4.5 |
6-50 |
鋼絲編織 |
≤100 |
90-270 |
920 |
6-7 |
Y132S-4 |
5.5 |
3100X2690X1570 |
座式 |
1650 |
|
2ZD150 |
2 |
4.5 |
6-50 |
鋼絲編織 |
≤100 |
90-270 |
850 |
6-7 |
Y132S-4 |
5.5 |
3100X2690X2250 |
座式 |
2260 |
|
ZD153J |
|
4.5 |
11x42 |
橡膠 |
≤150 |
90-270 |
850 |
7 |
132-4 |
5.5 |
3100X2690X1570 |
座式 |
2260 |
|
2ZD1530J |
|
4.5 |
13x2 |
橡膠 |
≤100 |
90-270 |
850 |
7 |
Y132S-4 |
5.5 |
3200X2690X2250 |
座式 |
2653 |
|
ZD1540 |
1 |
6 |
650 |
鋼絲編織 |
≤100 |
90-270 |
850 |
7 |
Y132M-4 |
7.5 |
4000X2505X2028 |
座式 |
2070 |
|
2ZD1540 |
2 |
6 |
6-50 |
鋼絲編織 |
≤100 |
90-270 |
850 |
7 |
Y132M-4 |
7.5 |
4200X2600X2660 |
座式 |
2850 |
|
ZDM1556 |
1 |
8 |
25-50 |
沖孔 |
≤400 |
225-450 |
920 |
6-8 |
Y160m-4 |
11 |
5410X2466X2256 |
座式 |
3611 |
|
2ZDM1556 |
2 |
8 |
上25-50 |
沖孔 |
≤400 |
30-300 |
1000 |
6-8 |
Y180m-4B3 |
18.5 |
5500X2860X3049 |
座式 |
5347 |
|
ZDM1740 |
1 |
7 |
50-100 |
沖孔 |
≤400 |
270-400 |
920 |
5-7 |
Y132M-4B3 |
7.5 |
3815X2694X2084 |
座式 |
3224 |
|
ZDM1756 |
1 |
9.5 |
25-50 |
沖孔 |
≤400 |
270-540 |
920 |
5-7 |
Y160L-4B3 |
15 |
5409X2858X2295 |
座式 |
4027 |
|
ZD1836 |
1 |
9.5 |
6-50 |
編織 |
≤150 |
100-300 |
850 |
7 |
Y160M-4 |
11 |
3670X2990X1807 |
座式 |
160 |
|
ZDM2056 |
1 |
11 |
13-125 |
編織 |
≤400 |
100-1000 |
920 |
6-8 |
Y180M-4 |
18.5 |
5662X3096X2795 |
座式 |
5991 |
|
2ZDM2056 |
2 |
11 |
上25-100 |
上沖下編 |
≤400 |
120-600 |
1000 |
6-8 |
Y180M-4B3 |
18.5 |
5500X3360X2986 |
座式 |
5891 |
|
2ZDM2056G |
2 |
11 |
上25-100 |
上編下條 |
≤400 |
200-400 |
800 |
6.7 |
Y180M-4B3 |
18.5 |
5600X3516X2870 |
座式 |
9864 |
|
ZD2160 |
1 |
12. |
10-5 |
橡膠 |
≤150 |
100-300 |
900 |
8 |
Y180L-4 |
22 |
6676X2420X1600 |
座式 |
6529 |
|
ZD1836J |
1 |
6.5 |
43x58 |
橡膠 |
≤150 |
100-300 |
850 |
7 |
Y160M-4 |
11 |
3600X2456X1480 |
座式 |
475 |
DD/ZD系列單軸振動篩產品選型及訂貨須知:
單軸振動篩分為吊式和座式,層數有單層和雙層,傳動形式分左右,篩板有沖孔、編織(其中還有橡膠篩網),訂貨須注明篩板結構篩孔尺寸。
河南奧創機械-機械設備生產廠家-提供價格方案流程安裝,主營制造各類振動篩分機,輸送機,提升機,給料機,除塵器等,整機質保
[奧創機械]-微信手機同號13353676726


